En esta unidad presentaremos los sistemas cableados para mando eléctrico. Si bien este tipo de dispositivos han quedado relegados por los automatismos de mando programable que veremos en futuras unidades didácticas.
El objetivo de esta unidad didáctica es introduciros a los sistemas cableados eléctricos y la realización de sistemas básicos de conexión.
Uno de los dispositivos por excelencia en este sentido es el RELÉ y su capacidad para comando de señales por medio de sus contactos dentro de un circuito eléctrico.

Como resultado de aprendizaje de esta unidad didáctica os requeriremos la habilidad y capacidad de realización de:
- Automatismos cableados básicos.
- Automatismos Temporizados.

Para el seguimiento de esta Unidad Didáctica disponéis del siguiente archivo con la teoría:
En el siguiente enlace podréis acceder a mis explicaciones o aclaraciones al respecto de este bloque didáctico.
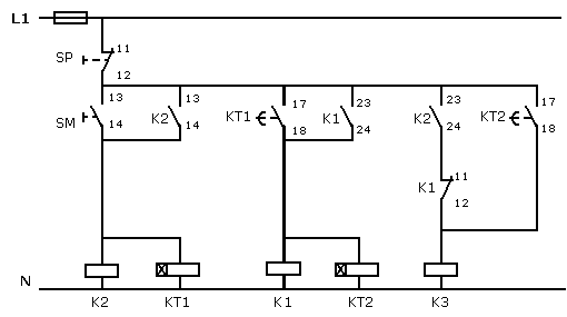
Los trabajos para la realización de las tareas de esta unidad, deberéis realizar con ayuda de AUTOMATION STUDIO, tal y como hemos visto en la clase los siguientes esquemas:
- Encendido de una lámpara mediante Relé y sus contacto.
- Dos relés incompatibles pasando por paro.
- Dos relés incompatibles sin pasar por paro.
- Conexión de temporizador con retardo a la conexión para encendido de lámpara
- Encendido de tres lámparas en secuencia, primero la 1ª, luego la 2º finalmente la 3º. (Sin apagar ninguna de ellas.